GH-06040DC is 400W servo motor,optimizing design, compact,beautiful contour,long-term continuous working in rated working mode and economic type,very wide of application to lots of industry .

3 Phase/ Single Phase 400W Ac Servo Motor


GH-06040DC is 400W servo motor,optimizing design, compact,beautiful contour,long-term continuous working in rated working mode and economic type,very wide of application to lots of industry .
Send Inquiry

3 Phase/ Single Phase 400W Ac Servo Motor and Driver Used in Positioning and Speed Control

`M8AR_2R@BHJ$0XG)NN0A40

1%1AH[DSI4(KRDN4Y5EQ@MM

Features

GH-06040DC is 400W servo motor,optimizing design, compact,beautiful contour,long-term continuous working in rated working mode and economic type,very wide of application to lots of industry .

The match servo driver, SD2004,GH-201,that matching for 400W servo motor.


Application

CNC Machinery,printing equipment, packaging equipment, textile equipment, laser processing equipment,robotics, automated production lines, such as processing precision, processing efficiency and reliability, and other requirements of the relatively high equipment.

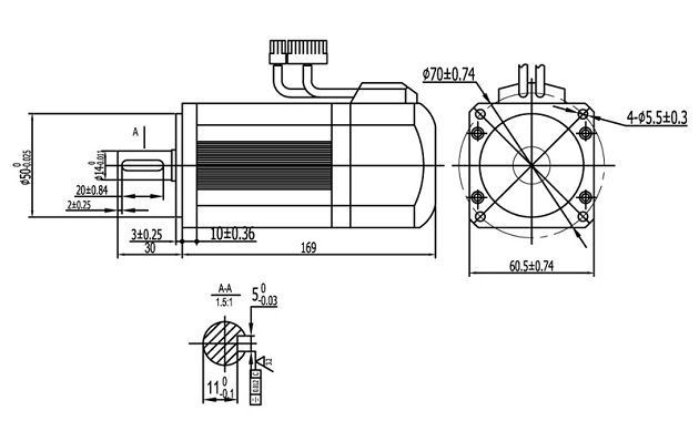
Motor Model SZGH-06040DC
Rated Power(W)400
Rated Voltage(V)220
Rated Crrent(A) 2.8 
Rated Speed(RPM) 3000
Rated Torque(NM)1.27
Peak Torque(NM)3.9
Voltage Constantv10r/min 29.6
Torque Coefficient(NM/A)0.45
Rotor Inertia(Kg.m²)0.29*10
Line-Line Resistance(Ω)2.35
Line-Line Inductance(mH) 14.5
Machanical Time-Constant(Ms)6.17
Encoder Resolution(PPR) 2500
Insulation Class Class B
Safety ClassIP65
The Operating of Evironmental Condition Temperature:-20℃~+45℃ Humidity Below 90%RH(No drawing)
Weight(KG)1.6


9(001)


FAQ

Q: Do you support customized manufacturing?

A: Yes,we can customized manufacturing according to customer's requirment. We support to OEM your own company display interface and logo.

Q: Whats your MOQ?

A: If we have the products in stock, it will be no MOQ. If we need to produce, we can discuss the MOQ according to customers exact situation.

Q: Which payment form you can accept?

A: T/T, Western Union, PayPal etc. We accept any convenient and swift payment term.


Q: Do you provide samples ? is it free or extra ?

A: Yes, we could offer the sample with sample price.



Send Inquiry